Sb414
1. Description:
Name: Domed edge SB414
Descriptions:
Material: Cr white iron and mild steel
Hardness: HRC63
Easy to cut - allowing you to customize the protection to different specifications
Easy to bend - offers protection on a contoured surface.
Use chocky bars with pre-notched backing plate.
Available in 5 sizes - with either standard or pre-notched backing plate.
Applications:
Bucket wear strips.
Replaces hard facing for augers, directional drill heads, foundation drilling, raise bore drilling.
Fan blade liners.
Pug mill paddles, tip and scrapers.
Recycling industry.
Road planer skids and pick protectors.
Replaces hard facing for pump housings and impellors
2. Our products range
3. Popular items blow for reference:
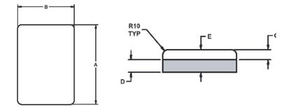
| Part No. | A (mm) | B (mm) | C (mm) | D (mm) | E (mm) | Weight (kg) |
| DLP-1920 | 75 | 25 | 17 | 8 | 25 | 0.7 |
| DLP-1921 | 100 | 50 | 17 | 8 | 25 | 1.1 |
| DLP-1994 | 100 | 70 | 24 | 8 | 32 | 1 |
| DLP-2196 | 130 | 80 | 15 | 8 | 23 | 1.3 |
| DLP-4771 | 148 | 108 | 25 | 10 | 35 | 2.3 |
| Part No. | A (mm) | B (mm) | C (mm) | D (mm) | E (mm) | Weight (kg) |
| DLP 4 | 300 | 38 | 25 | 8 | 33 | 3 |
| DLP 295 | 153 | 38 | 25 | 8 | 33 | 1.6 |
| DLP 508 | 190 | 50 | 20 | 10 | 30 | 2.3 |
| DLP 125 | 230 | 50 | 38 | 12 | 50 | 4.6 |
| DLP 1101 | 150 | 50 | 40 | 10 | 50 | 3 |
| DLP 528 | 150 | 75 | 40 | 10 | 50 | 4.5 |
| DLP 619 | 150 | 75 | 50 | 10 | 60 | 5.3 |
| Part # | A (mm) | B (mm) | C (mm) | D (mm) | E (mm) | Weight kg |
| SB 413 | 200 | 150 | 20 | 25 | 45 | 10.5 |
| SB 412 | 250 | 150 | 20 | 25 | 45 | 13.1 |
| SB 414 | 250 | 250 | 20 | 25 | 45 | 22 |
4. Our warehouse:
5.Company information
Ningbo Beneparts Machinery co., Ltd as your reliable G.E.T parts supplier, offering full range of replacement parts suitable for all kinds of earthmoving machines which apply to mining, construction, agriculture etc. Like Excavator, Bulldozer, Loader, Backhoe, Scraper, Crusher and so on. The replacement parts that we supply including casting parts like bucket teeth, adapter, lip shroud, protector, ripper shank etc. and forged parts like forged bucket teeth, cutting edge, grader blades, segment, end bit etc. and also wear-resistant parts like chocky bars, wear buttons, chromium combined wear plate etc. and matched parts like pin, washer, bolts and nuts etc.. Our parts cover machine brands Caterpillar, Komatsu, Volvo Doosan, Daewoo, Hyundai, Case, JCB, Kobelco, Liebherr John Deere etc.
Beneparts has a very strong sales team and firmly cooperated manufacturer with high-tech and focus on quality with more than 28 years experience.
Our advantages are four fold, our:
1.strong technical team, and we have the ability to formulate materials to meetthe specific needs of our customer's projects.
2.Perfect quality monitoring system, and full range of advanced facilities, like Component analysis machine, Impact Machine, Tensile Strength machine etc.
3. Rich experience to do OEM/ODM business, we can develop items as per drawings and samples if you have specific requirement.
4. Efficient management, we can short delivery time and we have good after sale service which keep long term business cooperation with our customers.
Our commitment to you is always providing quick, convenient, effective customer service.
Look forward to meeting you!
1. Description:
Name: Domed edge SB414
Descriptions:
Material: Cr white iron and mild steel
Hardness: HRC63
Easy to cut - allowing you to customize the protection to different specifications
Easy to bend - offers protection on a contoured surface.
Use chocky bars with pre-notched backing plate.
Available in 5 sizes - with either standard or pre-notched backing plate.
Applications:
Bucket wear strips.
Replaces hard facing for augers, directional drill heads, foundation drilling, raise bore drilling.
Fan blade liners.
Pug mill paddles, tip and scrapers.
Recycling industry.
Road planer skids and pick protectors.
Replaces hard facing for pump housings and impellors
2. Our products range
3. Popular items blow for reference:
| Part No. | A (mm) | B (mm) | C (mm) | D (mm) | E (mm) | Weight (kg) |
| DLP-1920 | 75 | 25 | 17 | 8 | 25 | 0.7 |
| DLP-1921 | 100 | 50 | 17 | 8 | 25 | 1.1 |
| DLP-1994 | 100 | 70 | 24 | 8 | 32 | 1 |
| DLP-2196 | 130 | 80 | 15 | 8 | 23 | 1.3 |
| DLP-4771 | 148 | 108 | 25 | 10 | 35 | 2.3 |
| Part No. | A (mm) | B (mm) | C (mm) | D (mm) | E (mm) | Weight (kg) |
| DLP 4 | 300 | 38 | 25 | 8 | 33 | 3 |
| DLP 295 | 153 | 38 | 25 | 8 | 33 | 1.6 |
| DLP 508 | 190 | 50 | 20 | 10 | 30 | 2.3 |
| DLP 125 | 230 | 50 | 38 | 12 | 50 | 4.6 |
| DLP 1101 | 150 | 50 | 40 | 10 | 50 | 3 |
| DLP 528 | 150 | 75 | 40 | 10 | 50 | 4.5 |
| DLP 619 | 150 | 75 | 50 | 10 | 60 | 5.3 |
| Part # | A (mm) | B (mm) | C (mm) | D (mm) | E (mm) | Weight kg |
| SB 413 | 200 | 150 | 20 | 25 | 45 | 10.5 |
| SB 412 | 250 | 150 | 20 | 25 | 45 | 13.1 |
| SB 414 | 250 | 250 | 20 | 25 | 45 | 22 |
4. Our warehouse:
5.Company information
Ningbo Beneparts Machinery co., Ltd as your reliable G.E.T parts supplier, offering full range of replacement parts suitable for all kinds of earthmoving machines which apply to mining, construction, agriculture etc. Like Excavator, Bulldozer, Loader, Backhoe, Scraper, Crusher and so on. The replacement parts that we supply including casting parts like bucket teeth, adapter, lip shroud, protector, ripper shank etc. and forged parts like forged bucket teeth, cutting edge, grader blades, segment, end bit etc. and also wear-resistant parts like chocky bars, wear buttons, chromium combined wear plate etc. and matched parts like pin, washer, bolts and nuts etc.. Our parts cover machine brands Caterpillar, Komatsu, Volvo Doosan, Daewoo, Hyundai, Case, JCB, Kobelco, Liebherr John Deere etc.
Beneparts has a very strong sales team and firmly cooperated manufacturer with high-tech and focus on quality with more than 28 years experience.
Our advantages are four fold, our:
1.strong technical team, and we have the ability to formulate materials to meetthe specific needs of our customer's projects.
2.Perfect quality monitoring system, and full range of advanced facilities, like Component analysis machine, Impact Machine, Tensile Strength machine etc.
3. Rich experience to do OEM/ODM business, we can develop items as per drawings and samples if you have specific requirement.
4. Efficient management, we can short delivery time and we have good after sale service which keep long term business cooperation with our customers.
Our commitment to you is always providing quick, convenient, effective customer service.
Look forward to meeting you!